资源共享
课程章节-项目十四:G73指令加工实训
学习目标:
掌握G73指令在实际加工中的一些用法;
了解G73指令在实际加工中的重难点;
练习,熟练掌握G73指令编程。
知识点击:
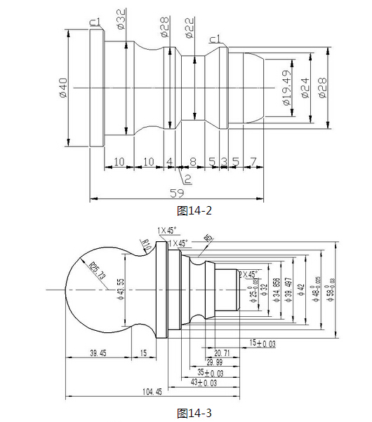
我们经常在实际加工中经常会遇到图(1)这样的工件,毛坯是圆柱形棒料。如果我们想在简化程序的基础上又不浪费加工时间的话,可以使用粗精加工循环行号不一致的方法来解决。
G73指令车削时按照我们给定的轮廓形状进行反复加工,逐渐接近最终形状的循环切削方式。G73指令自动按精车路线依零件外圆、锥体、凹凸圆弧进行多次循环走刀,系统根据精车余量、退刀量、切削次数等数据自动计算粗车偏移量、粗车的单次进刀量和粗车的轨迹。配合G70精加工循环指令使用。但粗加工和精加工的轨迹可以不一致。注:某一部分轨迹必须相同,也就是精加工轨迹是在粗加工轨迹的基础上缩短或延长。
一、指令格式:
G73 U(△i) W(△k) R(d)
G73 P(ns) Q(nf) U(△u) W(△w) F(f) S(s) T(t)
N(ns)………
…………
N(nf)………
式中:
△i-- X轴向总退刀量(半径值);
△k-- Z轴向总退刀量;
d--重复加工次数(粗车切削次数);
ns--精加工轮廓程序段中开始程序段的段号;
nf--精加工轮廓程序段中结束程序段的段号;
△u-- X轴向精加工余量及方向;
△w-- Z轴向精加工余量及方向;
f、s、t--F、S、T代码。
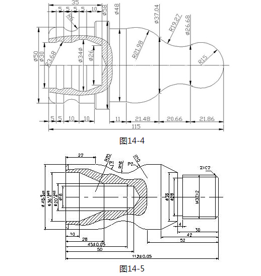
二、实训内容
三、实训步骤
1、工艺分析
(1)毛坯直径较大,先进行粗加工至直径42处,再粗加工直径42前半部,之后精加工,最后切断。
(2)注意退刀时,先X方向后Z方向,以免刀具撞上工件。
2、确定工艺方案
(1)先G90粗车出直径42台阶;
(2)后使用G73对N10点至N20点进行粗加工;
(3)后再使用G70对整个工件进行精加工;
(4)最后对工件进行切断。
3、刀具选择
将所选定的刀具参数填入表14-1轴类零件数控加工刀具卡片中,便于编程和操作管理。
表14-1数控加工刀具卡
|
产品名称 |
|
零件名称 |
|
零件图号 |
|
||||
|
工步号 |
刀具号 |
刀具名称 |
数量 |
加工表面 |
刀尖半径/mm |
备注 |
|||
|
1-3 |
T01 |
93°外圆车刀 |
1 |
外轮廓 |
0.4 |
|
|||
|
4 |
T02 |
切断刀 |
1 |
切断 |
0.4 |
|
|||
|
编制 |
|
审核 |
|
批准 |
共1页 |
第1页 |
|||
4、切削用量选择 根据被加工表面质量要求、刀具材料和工件材料,参考切削用量手册或有关资料选取切削速度与每转进给量,填入表14-2工序卡中。
表14-2 数控加工工序
|
单位名称 |
蚌埠科技工程学校 |
班级学号 |
姓名 |
成绩 |
零件名称 |
零件图号 |
|
|
|
|
|
|
|
|
|
|
|
工序号 |
程序编号 |
夹具名称 |
数控系统 |
使用设备 |
材料 |
场地 |
|
|
001 |
O0001 |
三爪卡盘 |
FANUC |
CK6140 |
45钢 |
数控加工实训中心 |
|
|
工步号 |
工步内容 |
刀具号 |
刀具规格mm |
主轴转速r/min |
进给量mm/r |
背吃刀量mm |
备注 |
|
1-3 |
车削外轮廓 |
T01 |
20×20 |
600 |
粗0.2 |
2.5 |
|
|
|
|
|
|
|
精0.06 |
0.2 |
|
|
4 |
切断 |
T02 |
20×20 |
400 |
0.08 |
|
|
|
编制 |
|
审核 |
|
批准 |
|
共1页 |
第1页 |
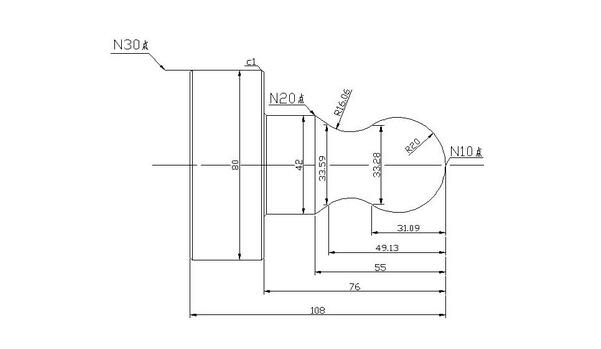
5、编写程序,输入数控装置,图形模拟演示,检查程序。O0014;(程序名)
|
程序号:O0014 |
||
|
程序段号 |
程序内容 |
说明 |
|
|
T0101; |
换90°外圆刀 |
|
|
M08; |
冷却液开 |
|
|
M03S800; |
主轴正转800r/min |
|
|
G0X82.Z2.; |
快速接近工件 |
|
|
G90X75.Z-76.F0.2; |
粗加工外圆至42.5 |
|
|
X70.; |
|
|
|
X65.; |
|
|
|
X60.; |
|
|
|
X55.; |
|
|
|
X50.; |
|
|
|
X45.; |
|
|
|
X42.5; |
|
|
|
G0X43.Z2.; |
快速移动至G73循环起始点 |
|
|
G73U20.R4 |
毛坯余量直径设为20mm,粗加工次数设为4次 |
|
|
G73P10Q20U0.4W0.F0.2; |
G73轮廓设为N10至N20,直径精加工余量设为0.4mm |
|
N10 |
G0X-0.8; |
G73、G70轮廓起点 |
|
|
M03S1400; |
设置精加工主轴转速1400r/min |
|
|
G01Z0.F0.06; |
设置精加工进给速度0.06mm/r |
|
|
X0.; |
到达工件起始点 |
|
|
G03X33.28Z-31.09R20.; |
|
|
|
G02X33.59Z-49.13R16.06; |
|
|
N20 |
G01X42.Z-55.; |
(G73轮廓终点) |
|
|
Z-76.; |
|
|
|
X78.; |
|
|
|
X80.Z-77.; |
|
|
|
Z-113.; |
|
|
N30 |
X81.; |
G70轮廓终点 |
|
|
G0X82.Z2.; |
G70循环起始点,特别注意:G73粗加工时定位点X43.,G70定位点X值必须大于80。否则会发生撞刀。 |
|
|
G70P10Q30; |
G70循环轮廓设为N10至N30 |
|
|
G0X150.Z150.; |
快速退刀 |
|
|
T0202; |
换切断刀,刀宽4mm |
|
|
M03S500; |
主轴正转500r/min |
|
|
G0X82.Z-112.; |
快速定位到切断定位起始点 |
|
|
G75R0.2; |
|
|
|
G75X0.Z-112.P2000Q0F0.08; |
使用G75切断 |
|
|
G0X150.Z150.; |
快速退刀 |
|
|
M09; |
冷却液关 |
|
|
M05; |
主轴停转 |
|
|
M30; |
程序结束 |
6、对刀:依次在工件毛坯上对好每一把刀在X、Z方向的坐标值。
(1)X方向对刀:回零→【MDI】→输入“S400 M03;T0101;”→按下【CYCLE START】键转动主轴。
【手摇】→切削外圆→沿Z轴退刀→停车测量外径→按【OFS/SET】键→按【偏置】键→【形状】里→输入“X外圆直径值”→按【测量】软键→刀具X向补偿值自动输入到几何形状里
(2)Z方向对刀:【手摇】→刀具切削端面→沿X轴正方向退刀→【形状】→输入“Z0” →按【测量】软键→刀具Z向补偿值自动输入到几何形状里。
7、自动运行程序,加工工件。
8、粗车后测量零件尺寸,根据工件图样要求的尺寸精度修改刀具磨损量;再次运行程序,加工出合格工件。
四、检验与考核:
检验与考核的内容及标准见表14-3。
表14-3 考核内容及标准
|
|
序号 |
考核内容 |
考核标准 |
评分标准 |
得分 |
|
|
编 程 |
1 |
设置工件坐标系 |
没有设定工件坐标系原点,全扣;原点位置设定不合理,扣2分 |
4 |
|
|
|
2 |
刀具安装 |
每把不合理扣2分 |
4 |
|
||
|
3 |
工艺路线、工艺参数 |
工艺路线不合理扣10分;工艺参数选择不合理扣10分 |
15 |
|
||
|
4 |
换刀点的选择 |
与工件等发生干涉,全扣 |
5 |
|
||
|
5 |
数控指令的使用 |
一般性指令错一处扣1分;出现一处危险性指令扣5分 |
10 |
|
||
|
6 |
程序结构 |
无程序名扣1分;程序格式与系统不相符,全扣 |
5 |
|
||
|
操 作 |
1 |
程序输入 |
超过10 min ,全扣 |
4 |
|
|
|
2 |
图形模拟演示 |
检查程序正确 |
4 |
|
||
|
3 |
对刀操作 |
方法正确,每把刀2分 |
4 |
|
||
|
4 |
自动运行程序 |
操作过程正确 |
4 |
|
||
|
5 |
刀具补偿调整尺寸 |
方法错误,全扣 |
3 |
|
||
|
6 |
安全操作 |
符合安全操作规程 |
4 |
|
||
|
工 件 |
1 |
外圆Φ80 0 -0.03 |
IT |
超差扣3分 |
6 |
|
|
|
Ra |
降一级扣2分 |
||||
|
2 |
外圆Φ42 0 -0.03 |
IT |
超差扣3分 |
6 |
|
|
|
|
Ra |
降一级扣2分 |
||||
|
3 |
长度76 |
超差全扣 |
4 |
|
||
|
4 |
长度108 |
超差全扣 |
4 |
|
||
|
5 |
R20 |
IT |
超差扣4分 |
5 |
|
|
|
|
Ra |
降一级扣2分 |
||||
|
6 |
R16.06 |
IT |
超差扣3分 |
5 |
|
|
|
|
Ra |
降一级扣2分 |
||||
|
7 |
其余表面粗糙度Ra3.2 |
降一级扣2分 |
4 |
|
||
|
总计 |
100 |
|||||
五、重点注意:
1、循环定位起始点。在加工外轮廓时循环定位起始点必须大于加工工件图形G73、G70循环部分X轴的最大值,而加工内轮廓时循环定位起始点必须小于加工工件图形G73、G70循环部分X轴的最小值,否则会发生撞刀情况。
2、U(△i)X轴向总退刀量的设置。在毛坯是圆柱形棒料的时候必须取最大值。因为在加工圆柱形棒料时,由于工件在不同部位X值不一致,所以余量也不一致。而在这种情况下如果不取最大值,很可能会发生撞刀情况。安全考虑有时我们会多给一点余量,一般取1mm左右。不宜过多,过多的话增加空刀时间
3、W(△k)Z轴向总退刀量。有些图形X轴起伏很大,如果W(△k)Z轴向总退刀量值给的过多,就很容易发生过切。导致工件报废。
4、U(△u)X轴向精加工余量及方向。加工外轮廓时取正值,内孔取负值。
5、W(△w)Z轴向精加工余量及方向。有些图形X轴起伏很大,如果W(△w) Z轴向精加工余量及方向值给的过多,就很容易发生过切。导致工件报废。
6、刀具的选择。注意刀具的角度,不能有仍和干涉。选择合适的刀具对加工质量和速度起着至关重要的作用。
六、思考:
利用这种方法我们既可以让空刀时间大大缩短,又可以使用G73、G70循环指令让编程简化。那么同学们想一想,既然G73、G70循环指令可以使用,那么像G71等其它循环指令能不能使用呢?如果可以,又是怎么编程的呢?在编程时又应该注意那些方面呢?
七、练习:



