资源共享
课程章节-项目十二:G02与G03外轮廓加工实训
学习目标:
1、掌握G02和G03指令的正确使用方法。
2、学会分析简单轴类零件的加工工艺。
3、熟悉掌握外圆刀、切槽到的安装及对刀方法。
4、掌握利用刀补来控制尺寸精度的基本方法。
知识点击:
圆弧插补指令G02/G03主要是顺逆的判断,数控车床是两坐标的机床,只有X轴和Z轴。圆弧的顺逆的判断主要与刀架所处的位置有关。
一、实训内容
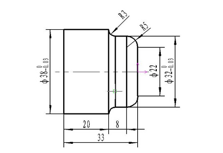
加工如图1-1所示零件。毛坯为Φ40mm×33mm的棒料。
二、实训步骤
1、工艺分析
⑴ 先车出端面,并以端面的中心为原点建立工件坐标系。
⑵ 该零件可采用G02、G03进行车削加工。注意退刀时,先X方向后Z方向,以免刀具撞上工件。
2、确定工艺方案
⑴ 车端面;
⑵ 从右至左车削工各面;
3、刀具选择
将所选定的刀具参数填入表1-1轴类零件数控加工刀具卡片中,便于编程和操作管理。
表1-1数控加工刀具卡
|
产品名称 |
|
零件名称 |
|
零件图号 |
|
||||
|
工步号 |
刀具号 |
刀具名称 |
数量 |
加工表面 |
刀尖半径/mm |
备注 |
|||
|
1 |
T01 |
93°外圆车刀 |
1 |
平端面 |
0.8 |
|
|||
|
外轮廓 |
|||||||||
|
编制 |
|
审核 |
|
批准 |
共1页 |
第1页 |
|||
4、切削用量选择
根据被加工表面质量要求、刀具材料和工件材料,参考切削用量手册或有关资料选取切削速度与每转进给量,填入表1-2工序卡中。
表1-2 数控加工工序卡
|
单位名称 |
蚌埠科技工程学校 |
班级学号 |
姓名 |
成绩 |
零件名称 |
零件图号 |
|
|
|
|
|
|
|
|||
|
工序号 |
程序编号 |
夹具名称 |
数控系统 |
使用设备 |
材料 |
场地 |
|
|
001 |
O0001 |
三爪卡盘 |
FANUC |
CK6140 |
45钢 |
数控加工实训中心 |
|
|
工步号 |
工步内容 |
刀具号 |
刀具规格mm |
主轴转速r/min |
进给量mm/r |
背吃刀量mm |
备注 |
|
1 |
手动平端面 |
T01 |
20×20 |
500 |
|
|
手动 |
|
2 |
车削外轮廓 |
0.2 |
2 |
自动 |
|||
|
编制 |
|
审核 |
|
批准 |
|
共1页 |
第1页 |
5、编写程序,输入数控装置,图形模拟演示,检查程序。
|
程序号:O0001 |
||
|
程序段号 |
程序内容 |
说明 |
|
N10 |
T0101 M08 ; |
换1号车刀,切削液开 |
|
N20 |
M03 S500 ; |
主轴正转500 r/min |
|
N30 |
G00 X40.0 Z2.0 ; |
快速进刀 |
|
N40 |
X22.0 |
定位 |
|
N50 |
G01 Z0.F0.2; |
接触工件 |
|
N60 |
G03 X32.0 Z-5.0 R5.0; |
车R5的圆弧 |
|
N70 |
G01 Z-10.0 |
车Φ32的轴 |
|
N80 |
G02 X38.0 Z-13.0 R5.0; |
车R3的圆弧 |
|
N90 |
G01 Z-33.0 |
车Φ38的轴 |
|
N100 |
X42.0; |
退刀 |
|
N110 |
G00 X100.0 Z100.0; |
快速退刀 |
|
N120 |
M05; |
主轴停止 |
|
N130 |
M30 ; |
程序结束 |
6、对刀:依次在工件毛坯上对好每一把刀在X、Z方向的坐标值。
⑴ X方向对刀:回零→【MDI】→输入“S400 M03;T0101;”→按下【CYCLE START】键转动主轴。
【手摇】→切削外圆→沿Z轴退刀→停车测量外径→按【OFS/SET】键→按【偏置】键→【形状】里→输入“X外圆直径值”→按【测量】软键→刀具X向补偿值自动输入到几何形状里
⑵ Z方向对刀:【手摇】→刀具切削端面→沿X轴正方向退刀→【形状】→输入“Z0” →按【测量】软键→刀具Z向补偿值自动输入到几何形状里。
7、自动运行程序,加工工件。
8、粗车后测量零件尺寸,根据工件图样要求的尺寸精度修改刀具磨损量;再次运行程序,加工出合格工件。
三、检验与考核:
检验与考核的内容及标准见表1-3。
表1-3 考核内容及标准
|
|
序号 |
考核内容 |
考核标准 |
评分标准 |
得分 |
|
|
编 程 |
1 |
设置工件坐标系 |
没有设定工件坐标系原点,全扣;原点位置设定不合理,扣2分 |
4 |
|
|
|
2 |
刀具安装 |
每把不合理扣2分 |
4 |
|
||
|
3 |
工艺路线、工艺参数 |
工艺路线不合理扣10分;工艺参数选择不合理扣10分 |
15 |
|
||
|
4 |
换刀点的选择 |
与工件等发生干涉,全扣 |
5 |
|
||
|
5 |
数控指令的使用 |
一般性指令错一处扣1分;出现一处危险性指令扣5分 |
10 |
|
||
|
6 |
程序结构 |
无程序名扣1分;程序格式与系统不相符,全扣 |
5 |
|
||
|
操 作 |
1 |
程序输入 |
超过10 min ,全扣 |
4 |
|
|
|
2 |
图形模拟演示 |
检查程序正确 |
4 |
|
||
|
3 |
对刀操作 |
方法正确,每把刀2分 |
4 |
|
||
|
4 |
自动运行程序 |
操作过程正确 |
4 |
|
||
|
5 |
刀具补偿调整尺寸 |
方法错误,全扣 |
3 |
|
||
|
6 |
安全操作 |
符合安全操作规程 |
4 |
|
||
|
工 件 |
1 |
外圆Φ38 0 -0.03 |
IT |
超差扣3分 |
6 |
|
|
|
Ra |
降一级扣2分 |
||||
|
2 |
外圆Φ32 0 -0.03 |
IT |
超差扣3分 |
6 |
|
|
|
|
Ra |
降一级扣2分 |
||||
|
3 |
长度33 |
超差全扣 |
4 |
|
||
|
4 |
长度20 |
超差全扣 |
4 |
|
||
|
5 |
R5 |
IT |
超差扣4分 |
5 |
|
|
|
|
Ra |
降一级扣2分 |
||||
|
6 |
R3 |
IT |
超差扣3分 |
5 |
|
|
|
|
Ra |
降一级扣2分 |
||||
|
7 |
其余表面粗糙度Ra3.2 |
降一级扣2分 |
4 |
|
||
|
总计 |
100 |
|
||||
四、注意事项:
1、车锥法。在车圆弧时,不可能用一把刀就把圆弧车好,因为这样吃刀量太大,容易崩刀。可以先车圆锥,把余量去除后在精车圆弧。
2、车圆法。车圆法就是用不同半径的圆来车削,最终将所需的圆弧车出来。
五、习题1


